Не могу подобрать-придумать клемму. - uazbuka. BO abroad: ремонт скутера плавиться плюсовой провод Схема электропроводки ЗИЛ 131, замена проводки своими руками: инструкция, фото и видео Форум ЗИЛЫ :: Просмотр темы - Выбивает тепловое реле и пропадает зарядка 

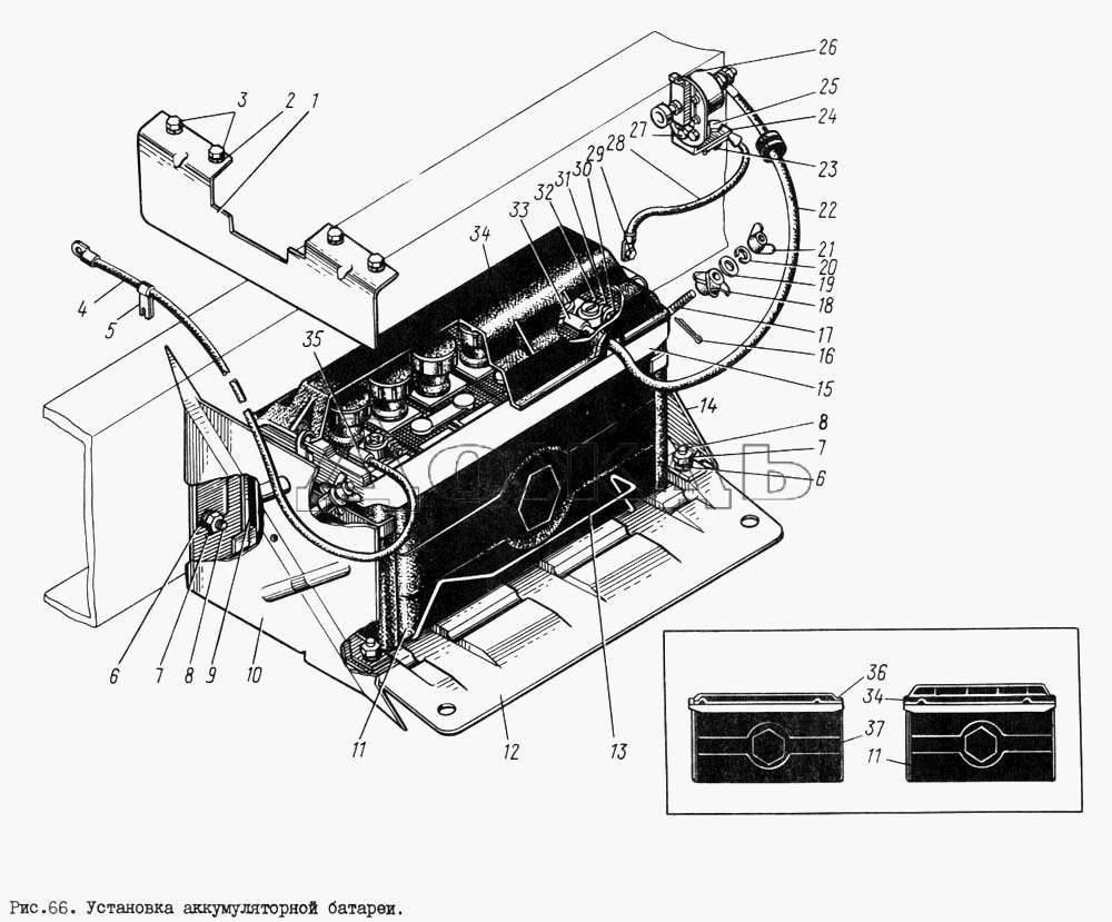
Установка аккумуляторной батареи (#105) на ЗИЛ 131 Регулятор напряжения схема подключения - vibratektor. аккумулятор для / ssian.alibaba. Подключить преобразователь 191.3759-01 12-24 вольта на МТЗ Fermer.Ru - Фермер.Ру - Главный фермерский портал - все о бизнесе в с Зил 131 схеме подключения бобины Теплое белье Аккумулятор ЗИЛ-5301 Аккумуляторы для автомобилей / akom. 
Как работает зарядка на зил 5301 
Зил 130 схема электропроводки " " сайт с формами 
Icyjob Схема электрооборудования автомобиля ЗИЛ-133 ГЯ. Электропроводка ЗИЛ 131 обслуживание своими руками: видео и фото материалы о разработке автомобиля Стартер 


Срочно нужна помошь по подключению провода аккумулятора : Электрика | Форум 
Схема реле на повороты на зил 131 
Провода для аккумуляторов / bigteh. Подключение дополнительных потребителей тока - Общесоюзный клуб волговодов М-21 Схема подключения генератора карбюратор ваз 2107 Accent замена клемм аккумулятора - liftbord.